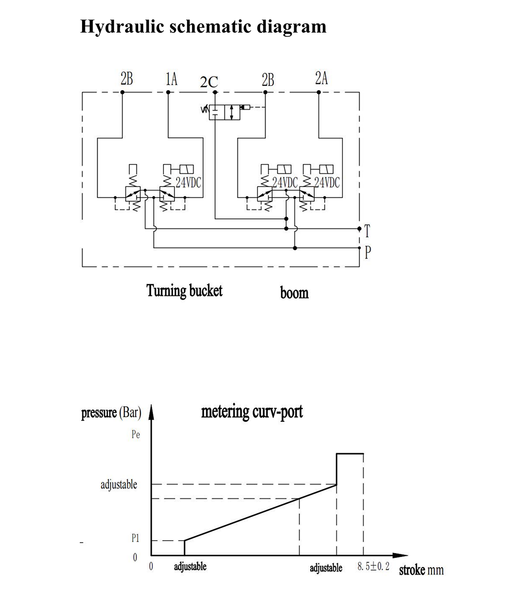
JOYSTICK REMOTE CONTROL PILOT HIDROLIK PIKEUN LOADER
Kauntungan:
1.Saluyukeun sareng ergonomika
2. Kaluaran proporsional hidrolik
3. Presisi Ergonomis
4. Desain Modular
5. kontrol silih hidrolik
6. Fitur Kasalametan
Tampilan Produk
NAHA MILIH KAMI
NGALAMAN
KUALITAS
R&D
Kami gaduh pangalaman langkung ti 15 taun dina barang ieu.
Ngawanohkeun alat-alat pangolahan mérek anu kasohor sareng nyayogikeun laporan QC.
Tim R&D kami diwangun ku 10-20 jalmi, anu kalolobaanna gaduh pangalaman damel sakitar 10 taun.
SERTIFIKAT URANG
Peralatan Kontrol Kualitas
Pikeun mastikeun kualitas produk pabrik, kami ngenalkeunbeberesih canggih sareng alat uji komponén, 100% produk anu dirakit lulus uji pabriksareng data uji unggal produk disimpen dina server komputer.
Tim R&D
Tim R&D kami diwangun ku10-20jalma-jalma, kalolobaanana gaduh sakitar10 tauntina pangalaman damel.
Pusat R&D kami gaduhprosés R&D anu saé,kalebet survey palanggan, panalungtikan pesaing, sareng sistem manajemen pamekaran pasar.
Kami gaduhalat-alat R&D anu dewasakalebet itungan desain, simulasi sistem host, simulasi sistem hidrolik, debugging di tempat, pusat uji produk, sareng analisis unsur hingga struktural.
MITRA URANG
Salila dasawarsa ka tukang, salaku supplier anu dipercaya, Ningbo Flag Hydraulic Co., Ltd. nyayogikeun alat-alat pendukung pikeun perusahaan domestik anu ageung sareng kuat sapertos Sunward Intelligent, XCMG, Sany Heavy Industry, sareng Zoomlion.
-
810900741-PDF








